⚠️ This forum has been restored as a read-only archive so the knowledge shared by the community over many years remains available. New registrations and posting are disabled.

All times are UTC + 8 hours




Post new topic Reply to topic  [ 154 posts ]  Go to page Previous  1 ... 3, 4, 5, 6, 7, 8, 9 ... 11  Next
Author Message
 Post subject: Re: Repeat Cycle timers
PostPosted: Sep 23rd, '09, 12:00 
Seriously, this cant be healthy.
Seriously, this cant be healthy.
User avatar

Joined: Oct 11th, '07, 19:43
Posts: 6687
Gender: Male
Are you human?: Not at 3 am :(
Location: Kalgoorlie
Thats awesome Kuda, exactly what we are going to need to run pumps into a spider.

Sorry I didnt notice the relay at first look :D


Top
 Profile  
Reply with quote  
    Advertisement
 
 Post subject: Re: Repeat Cycle timers
PostPosted: Sep 23rd, '09, 12:05 
Seriously, this cant be healthy.
Seriously, this cant be healthy.
User avatar

Joined: Nov 13th, '07, 06:23
Posts: 5315
Location: Bundoora, Melbourne
Gender: Male
Are you human?: somewhat
Location: Victoria, Australia
no probs OB... I don't expect ppl to see that and understand it first glance.

Of course, this can still be done cheaper and with less components using a micro.
The downside being you have to program it and faultfinding is a programming skill.

I would really be interested in a show of hands as to who wants me to buy and build a prototype... I'd hate to got to all this effort and now cost if ppl weren't going to build them.
Also is there a point in me buying extra components at bulk prices so I can pass them onto you guys?


Top
 Profile  
Reply with quote  
 Post subject: Re: Repeat Cycle timers
PostPosted: Sep 23rd, '09, 12:34 
Seriously, this cant be healthy.
Seriously, this cant be healthy.
User avatar

Joined: Oct 11th, '07, 19:43
Posts: 6687
Gender: Male
Are you human?: Not at 3 am :(
Location: Kalgoorlie
We are going to need them once the spiders become more commonplace Kuda. Considering the alternative hydro style timers go for $200 ++ I think your design is great.

I'd want to build about 5 timers myself. I have large plans :D


Top
 Profile  
Reply with quote  
 Post subject: Re: Repeat Cycle timers
PostPosted: Oct 4th, '09, 18:20 
Legend Member
Legend Member
User avatar

Joined: Apr 20th, '08, 17:55
Posts: 516
Location: Melbourne
Gender: Male
Location: Mooroolbark, Vic, Australia
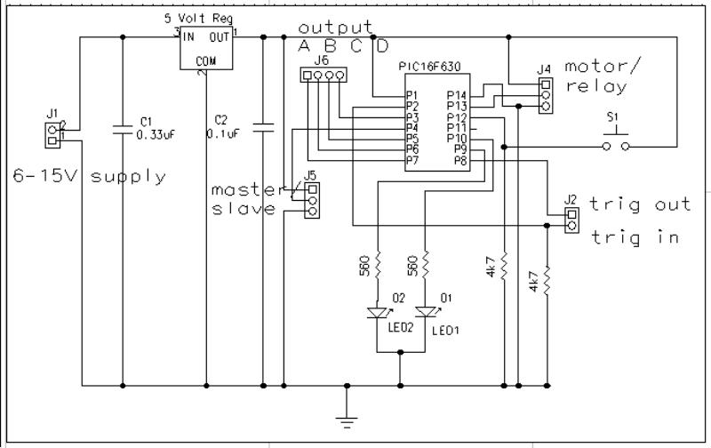
Ok, here is the latest pic micro design, it's a universal timer that is programmable and can be used to run a relay or a car door actuator.

The on time and off time can be independently set from 1 second to over 100 minutes
For use with car door actuators the pulse duration can be set from .005 to .495 seconds.

It can be configured to run as a repeat cycle timer or as a one shot operated by a trigger input, this means you can hook them up in sequence or activate the cycle from a sensor or float switch.

Programming is done by a momentary switch and a bi colour LED for feedback
Mode selection is by changing links like those used in hard drives.
J4 selects between triggering relay or car door actuator.
If they are hooked up in series one has to be set as the master and triggers when the power is switched on J5 controls this

J2 is used for the trigger input and output in sequential use. Linking them will cause the timer to act as a repeat cycle timer.

One thing to note the micro has a maximum current output of 25 mA on the output pins so relay's may need to be buffered depending on the relay.

The software is designed to operate a h-bridge controller with the car door actuator and applies braking to the motor, it can however be adapted to operate the actuator via a DPDT relay combined with a SPST relay.

Parts list:
1x PIC16F630 micro
1x bi colour LED (or two standard LEDs)
1x 78L05 5v regulator
1x 0.1uF capacitor
1x 0.33uF capacitor
2x 4K7 resistors
2x 560 resistors
1x tactile switch

If you want the hex file to program the pic just pm me. If you would like a programmed PIC16F630 they are $8.00 plus postage. I will include programming and mode selection details with the hex file or programmed micro.

I am considering making a kit available for about $20 or assembled and tested for about $40. Programmed micro's are definitely available but kits depend on getting enough interest.


Attachments:
File comment: Circuit diagram
universal timer cct.jpg
universal timer cct.jpg [ 51.51 KiB | Viewed 3464 times ]
File comment: example parts layout
universal timer 2.jpg
universal timer 2.jpg [ 74.96 KiB | Viewed 3464 times ]
File comment: actual size.
universal timer 1.jpg
universal timer 1.jpg [ 45.56 KiB | Viewed 3464 times ]
Top
 Profile  
Reply with quote  
 Post subject: Re: Repeat Cycle timers
PostPosted: Oct 4th, '09, 20:14 
Seriously, this cant be healthy.
Seriously, this cant be healthy.
User avatar

Joined: Oct 11th, '07, 19:43
Posts: 6687
Gender: Male
Are you human?: Not at 3 am :(
Location: Kalgoorlie
How hard is it to incorporate a decent 240v relay into the circuit? Something that can handle the normal 10A of a socket?


Top
 Profile  
Reply with quote  
 Post subject: Re: Repeat Cycle timers
PostPosted: Oct 4th, '09, 22:32 
Seriously, this cant be healthy.
Seriously, this cant be healthy.
User avatar

Joined: Dec 6th, '07, 01:13
Posts: 10709
Images: 0
Location: central FL
Gender: Female
Are you human?: YES at least mostly
Location: USA, Florida, Yalaha
I would buy a kit with instructions for hooking up the car door actuator option. I think I would want it to come already set up with the protection so the relays would not hurt the chip and such though. I wouldn't want to fry the thing before getting it going.


Top
 Profile  
Reply with quote  
 Post subject: Re: Repeat Cycle timers
PostPosted: Oct 4th, '09, 23:46 
Bordering on Legend
Bordering on Legend

Joined: Aug 31st, '09, 02:49
Posts: 299
Gender: Male
Are you human?: maybe
Location: N. Tx
Very Nice Pic Micro circuit and layout Novaris.

To drive Relays and higher amp items, you need to add a Transistor's to the Pic micro's output, something like a 2n3904 for 1 amp things, or something like a BD243C for up to 6 amp things

I have been using a Basic Stamp Micro, for one of my Electronics Projects, and a 4 transistor ULN2076B 1.5A Driver, to drive larger 12 to 24V relays, or a 8 transistor TD62084APG 0.5A drivers for small relays.

RS


Top
 Profile  
Reply with quote  
 Post subject: Re: Repeat Cycle timers
PostPosted: Oct 5th, '09, 12:36 
Legend Member
Legend Member
User avatar

Joined: Apr 20th, '08, 17:55
Posts: 516
Location: Melbourne
Gender: Male
Location: Mooroolbark, Vic, Australia
Outbackozzie wrote:
How hard is it to incorporate a decent 240v relay into the circuit? Something that can handle the normal 10A of a socket?
It's not hard to combine with relay control, Kuda's system uses a FET to control a 5v 5A relay we could use something similar. Or as RS mentioned we could use a Darlington switch array that could probably drive a car door actuator directly.

When ever you design something lots of questions need to be answered things like what conditions is it in, what type and size of housing is required, how will it be powered?

In the back of my mind I think I was aiming to help provide a resource of electronic control for BYAPers. Its difficult to provide a single solution for all users needs but I suspect that we can come close if we develop a modular design. I designed the universal timer to act as a core and we could design relay and motor control as plug in modules.

10A relays tend to be expensive and probably more than most people require, but for those that need them the module should work for any relay. And for actuator control there a several approaches TCLynx is using relays I am using transistors the interface requirements are slightly different.

Again everyone please chip in with ideas or things you would like to be able to do.


Top
 Profile  
Reply with quote  
 Post subject: Re: Repeat Cycle timers
PostPosted: Oct 5th, '09, 17:33 
Seriously, this cant be healthy.
Seriously, this cant be healthy.
User avatar

Joined: Oct 11th, '07, 19:43
Posts: 6687
Gender: Male
Are you human?: Not at 3 am :(
Location: Kalgoorlie
As long as it can drive 500w then I'm happy :)

I dont think anyone needs to control a bigger pump than that ?


Top
 Profile  
Reply with quote  
 Post subject: Re: Repeat Cycle timers
PostPosted: Oct 5th, '09, 17:56 
Seriously, this cant be healthy.
Seriously, this cant be healthy.
User avatar

Joined: Nov 13th, '07, 06:23
Posts: 5315
Location: Bundoora, Melbourne
Gender: Male
Are you human?: somewhat
Location: Victoria, Australia
I've been eyeing off a 650W pump at my LPS. The amount you can switch comes down to the relay you use. The bigger the load the more pricey the relay. It's also proportional to the difference between coil current and switching current.


Top
 Profile  
Reply with quote  
 Post subject: Re: Repeat Cycle timers
PostPosted: Oct 5th, '09, 20:55 
Legend Member
Legend Member
User avatar

Joined: Dec 3rd, '08, 21:46
Posts: 689
Location: Eastford, CT
Gender: Male
Are you human?: yes
Location: Eastford, CT USA
I'm going to pipe in too with my design!

I went a bit overboard on the design, but I'm hoping this could be used for various purposes....if this is a product that could be put on the market, it's best to target as big of an audience as possible. This unit so user-programmable through a USB interface. Once it's programmed it can be disconnected from the computer and will run on it's own. This baby has a 15A relay in it so it can run just about any pump or heater unit. Plus it will run on 3 AA batteries so it requires very little power to operate. It has 3 modes of operation:

1) Host-Controlled: I added this so I could use this with my existing greenhouse program. One or more unit can be controlled through the USB interface by a master parent computer. (see my existing setup here http://www.backyardaquaponics.com/forum/viewtopic.php?f=18&t=5098)

2) Stand-Alone Thermostat: A temperature probe can be connected to it. If the temp goes above X, turn on the relay, if it goes below Y, turn off the relay. X and Y can be different values so a little buffer can be added in to keep it from flip-flopping too quickly.

3) Stand-Alone Timer: The timer can be programmed to keep the relay in position A for X time (seconds, minutes, or hours). Independently position B can be set for its own time. Just like this, it will keep turning on and off based on these set times.

Attachment:
File comment: User interface on host computer via USB
UI.JPG
UI.JPG [ 42.17 KiB | Viewed 3353 times ]


You can also tie in a flow switch. The goal with this is to reduce the amount of time a pump is on - once the growbed is full, why keep running the pump if you're draining water? The flow switch will trigger when the GB overflows and after X seconds of detecting, it will shut off the pumps. I think his could also be used with Rupe's sequencing valve since the timer could beset to turn off the pump for a few seconds and then back on in the next position. The picture below shows the pump running (green LED) with the flow switch closed, when I open the switch, the relay moves to the off position (red LED). The controller can also be set to turn the pump back on when the water stops flowing...but I think it's better to just let the timer wait a bit longer so the GB can set "dry" longer....like 45 minutes.

Attachment:
controller.jpg
controller.jpg [ 356.35 KiB | Viewed 3353 times ]


This is a pic of my flow switch prototype. It's basically works on the same theory as the alarm switches that are installed in windows and doors. It's totally water proof and can work up to roughly 20psi...but it really should be used on the drain lines. The switch part has some very tight tolerances...I'm currently drawing up the designs so it can be cut on a laser cutter.

Attachment:
Switch.jpg
Switch.jpg [ 203.39 KiB | Viewed 3355 times ]


You may see above the circuit board a smaller header pin. This may be an optional feature that will allow a display to be plugged into it. It could display things like the temperature (thermostat mode) or what currently switch or replay position is.

The entire controller unit will be put into a NEMA box (waterproof). I'm hoping to finish up the board layout shortly and have have the entire thing ready in a couple of months. Target price for the controller and switch bundle would be around $80 US. The 15A relay is expensive, but I didn't want to have something that the contacts would wear out from the pump startup spikes. The NEMA boxes aren't cheap either. Do you think $80 is reasonable?


Top
 Profile  
Reply with quote  
 Post subject: Re: Repeat Cycle timers
PostPosted: Oct 5th, '09, 22:56 
Seriously, this cant be healthy.
Seriously, this cant be healthy.
User avatar

Joined: Dec 6th, '07, 01:13
Posts: 10709
Images: 0
Location: central FL
Gender: Female
Are you human?: YES at least mostly
Location: USA, Florida, Yalaha
Web4Deb wrote:
I'm going to pipe in too with my design!

The entire controller unit will be put into a NEMA box (waterproof). I'm hoping to finish up the board layout shortly and have have the entire thing ready in a couple of months. Target price for the controller and switch bundle would be around $80 US. The 15A relay is expensive, but I didn't want to have something that the contacts would wear out from the pump startup spikes. The NEMA boxes aren't cheap either. Do you think $80 is reasonable?


$80 might be reasonable but you would have to put in quite a bit of time getting buyers up to speed on how to use your controller.

My biggest issues with more complex controllers is that errors and faults can cause things to shut off or just not run (I know someone else who is into using controllers and he has run into problems of sensors giving false low water indications causing the pump not to run which can cause big problems if there is no additional air going on the system or if the fault doesn't get noticed fast enough to keep ammonia from spiking in the fish tanks.)

Since my big system pump runs all the time, I'm not really interested in relays to turn that on/off, that can be done with a simple timer anyway. I'm much more keen on the actuator controller so I can deal with low pressure valves.


Top
 Profile  
Reply with quote  
 Post subject: Re: Repeat Cycle timers
PostPosted: Oct 5th, '09, 23:46 
Legend Member
Legend Member
User avatar

Joined: Dec 3rd, '08, 21:46
Posts: 689
Location: Eastford, CT
Gender: Male
Are you human?: yes
Location: Eastford, CT USA
It wouldn't be too bad to get to work with an actuator...could have a much lower rated relay in it too. It would drop the cost a lot by putting in the smaller relay and dropping the flow switch. I'll put some thought into it....


Top
 Profile  
Reply with quote  
 Post subject: Re: Repeat Cycle timers
PostPosted: Oct 6th, '09, 06:46 
Seriously, this cant be healthy.
Seriously, this cant be healthy.
User avatar

Joined: Oct 11th, '07, 19:43
Posts: 6687
Gender: Male
Are you human?: Not at 3 am :(
Location: Kalgoorlie
Whats the difference if you go to a 5A relay?


Top
 Profile  
Reply with quote  
 Post subject: Re: Repeat Cycle timers
PostPosted: Oct 6th, '09, 06:59 
Legend Member
Legend Member
User avatar

Joined: Dec 3rd, '08, 21:46
Posts: 689
Location: Eastford, CT
Gender: Male
Are you human?: yes
Location: Eastford, CT USA
Roughly $4. I would have to look up a model to confirm. Part of the expense of the relay is because I'm using latching units. They will set then stop consuming power and hold their position. Very efficient=Very expensive. With the lower rated relays, I would be tempted to add a fuse to help protect the circuit so that would had a little cost. People have the tendency to push power to the limits. We get a ton of circuit boards returned at my office that have some wicked burn marks through the traces. :mrgreen:

That's the problem with hardware design...you want to add a bunch of neat features but it can quickly add to the costs. It's far more cost effective to mimic hardware features with software - assuming one can program well enough to make sure it's bug free. :geek:


Top
 Profile  
Reply with quote  
Display posts from previous:  Sort by  
Post new topic Reply to topic  [ 154 posts ]  Go to page Previous  1 ... 3, 4, 5, 6, 7, 8, 9 ... 11  Next

All times are UTC + 8 hours


You cannot post new topics in this forum
You cannot reply to topics in this forum
You cannot edit your posts in this forum
You cannot delete your posts in this forum
You cannot post attachments in this forum

Search for:
Jump to:  

Powered by phpBB® Forum Software © phpBB Group
Portal by phpBB3 Portal © phpBB Türkiye
[ Time : 0.110s | 15 Queries | GZIP : Off ]