⚠️ This forum has been restored as a read-only archive so the knowledge shared by the community over many years remains available.
New registrations and posting are disabled.
|
All times are UTC + 8 hours |
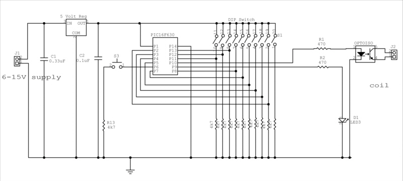
Repeat Cycle timers
Moderator: editors
|
Page 4 of 11 |
[ 154 posts ] | Go to page Previous 1, 2, 3, 4, 5, 6, 7 ... 11 Next |
|
| Author | Message | ||||
|---|---|---|---|---|---|
| ivansng |
|
||||
Joined: May 13th, '09, 21:28 Posts: 2126 Gender: Are you human?: Depends Location: Southern River, Western Australia |
|
||||
| Top | |||||
| Advertisement | |||
|
|
|||
| countryboy |
|
|||||
Joined: Jul 15th, '09, 11:54 Posts: 341 Gender: Are you human?: After morning coffee Location: South Carolina, USA |
|
|||||
| Top | ||||||
| KudaPucat |
|
|||||
Joined: Nov 13th, '07, 06:23 Posts: 5315 Location: Bundoora, Melbourne Gender: Are you human?: somewhat Location: Victoria, Australia |
|
|||||
| Top | ||||||
| KudaPucat |
|
|||||
Joined: Nov 13th, '07, 06:23 Posts: 5315 Location: Bundoora, Melbourne Gender: Are you human?: somewhat Location: Victoria, Australia |
|
|||||
| Top | ||||||
| Outbackozzie |
|
|||||
Joined: Oct 11th, '07, 19:43 Posts: 6687 Gender: Are you human?: Not at 3 am :( Location: Kalgoorlie |
|
|||||
| Top | ||||||
| Taz |
|
||||
Joined: Jan 13th, '09, 09:42 Posts: 240 Gender: Location: Tasmania, Australia |
|
||||
| Top | |||||
| novaris |
|
|||||
Joined: Apr 20th, '08, 17:55 Posts: 516 Location: Melbourne Gender: Location: Mooroolbark, Vic, Australia |
|
|||||
| Top | ||||||
| novaris |
|
||||||||
Joined: Apr 20th, '08, 17:55 Posts: 516 Location: Melbourne Gender: Location: Mooroolbark, Vic, Australia |
|
||||||||
| Top | |||||||||
| novaris |
|
|||||||
Joined: Apr 20th, '08, 17:55 Posts: 516 Location: Melbourne Gender: Location: Mooroolbark, Vic, Australia |
|
|||||||
| Top | ||||||||
| novaris |
|
|||||
Joined: Apr 20th, '08, 17:55 Posts: 516 Location: Melbourne Gender: Location: Mooroolbark, Vic, Australia |
|
|||||
| Top | ||||||
| novaris |
|
|||||
Joined: Apr 20th, '08, 17:55 Posts: 516 Location: Melbourne Gender: Location: Mooroolbark, Vic, Australia |
|
|||||
| Top | ||||||
| Outbackozzie |
|
|||||
Joined: Oct 11th, '07, 19:43 Posts: 6687 Gender: Are you human?: Not at 3 am :( Location: Kalgoorlie |
|
|||||
| Top | ||||||
| novaris |
|
||||||||
Joined: Apr 20th, '08, 17:55 Posts: 516 Location: Melbourne Gender: Location: Mooroolbark, Vic, Australia |
|
||||||||
| Top | |||||||||
| TCLynx |
|
|||||
Joined: Dec 6th, '07, 01:13 Posts: 10709 Images: 0 Location: central FL Gender: Are you human?: YES at least mostly Location: USA, Florida, Yalaha |
|
|||||
| Top | ||||||
| novaris |
|
|||||
Joined: Apr 20th, '08, 17:55 Posts: 516 Location: Melbourne Gender: Location: Mooroolbark, Vic, Australia |
|
|||||
| Top | ||||||
|
Page 4 of 11 |
[ 154 posts ] | Go to page Previous 1, 2, 3, 4, 5, 6, 7 ... 11 Next |
|
All times are UTC + 8 hours |
| You cannot post new topics in this forum You cannot reply to topics in this forum You cannot edit your posts in this forum You cannot delete your posts in this forum You cannot post attachments in this forum |
Backyard Aquaponics





