⚠️ This forum has been restored as a read-only archive so the knowledge shared by the community over many years remains available. New registrations and posting are disabled.

All times are UTC + 8 hours




Post new topic Reply to topic  [ 18 posts ]  Go to page 1, 2  Next
Author Message
 Post subject: Programmable Gain Op Amp
PostPosted: Feb 23rd, '12, 23:09 
Almost divorced
Almost divorced
User avatar

Joined: Nov 11th, '09, 03:13
Posts: 1004
Gender: Male
Are you human?: The top half is
Location: Chiang Mai, NW Thailand.
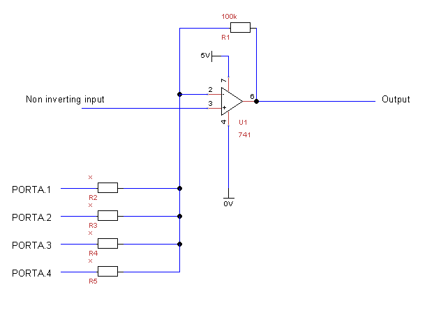
While working on my DIY PIC Scope I found I needed a programmable gain Op Amp.
They are available but generally more expensive and harder to get (here) than standard Op Amps.

I was sent a circuit by a mate to make any old Op Amp "programmable"

Attachment:
Programmable Gain.png
Programmable Gain.png [ 5.85 KiB | Viewed 6203 times ]


R2-R5 are connected to digital pins on the micro.
To turn a stage on, make the pin an output and drive it to 0V
To turn it off, make it a high impedance input (on PICS watch the internal pull-up resistors on some ports, make sure they are disabled)

Brilliantly simple, and very effective, wish I'd thought of it !


Top
 Profile  
Reply with quote  
    Advertisement
 
PostPosted: Feb 24th, '12, 23:09 
Bordering on Legend
Bordering on Legend
User avatar

Joined: Oct 24th, '10, 17:16
Posts: 338
Gender: Male
Are you human?: Some Time
Location: Chonburi Thailand
I think only people who graduate from electrical engineering can understand that.


Top
 Profile  
Reply with quote  
PostPosted: Feb 24th, '12, 23:46 
Almost divorced
Almost divorced
User avatar

Joined: Nov 11th, '09, 03:13
Posts: 1004
Gender: Male
Are you human?: The top half is
Location: Chiang Mai, NW Thailand.
Ao+ wrote:
I think only people who graduate from electrical engineering can understand that.

Well, maybe.
But I build circuits I don't fully understand, following someone else's diagram.

This one is pretty simple.
Any understanding of the gain stage of an OpAmp will make this circuit pretty obvious.

More than happy to explain, if anyone needs an explanation :D


Top
 Profile  
Reply with quote  
PostPosted: Feb 24th, '12, 23:58 
Bordering on Legend
Bordering on Legend
User avatar

Joined: Oct 24th, '10, 17:16
Posts: 338
Gender: Male
Are you human?: Some Time
Location: Chonburi Thailand
Nobody need explanation on this, i think.
Because if someone know OpAmp then he will understand the circuit easily.
If someone don't know OpAmp you may not be able to make him understand on this forum.


Top
 Profile  
Reply with quote  
PostPosted: Feb 25th, '12, 06:02 
A posting God
A posting God
User avatar

Joined: Dec 10th, '11, 15:03
Posts: 2089
Gender: Male
Are you human?: What is human?
Location: Perth Hills
I dont really understand op-amps. But i understand what is happening there :)


Top
 Profile  
Reply with quote  
PostPosted: Feb 25th, '12, 12:22 
Bordering on Legend
Bordering on Legend
User avatar

Joined: Oct 24th, '10, 17:16
Posts: 338
Gender: Male
Are you human?: Some Time
Location: Chonburi Thailand
rsevs3 wrote:
I dont really understand op-amps. But i understand what is happening there :)

Haha so I missunderstood. :)


Top
 Profile  
Reply with quote  
PostPosted: Feb 25th, '12, 14:14 
Almost divorced
Almost divorced
User avatar

Joined: Nov 11th, '09, 03:13
Posts: 1004
Gender: Male
Are you human?: The top half is
Location: Chiang Mai, NW Thailand.
rsevs3 wrote:
I dont really understand op-amps. But i understand what is happening there :)

Hehe, yeah.
I don't think anyone _really_ understands them.
You sit down, spend hours working out the gain stages, wire it up and never ever get the calculated results, so then you wing it, swapping out Resistor values until it does what you want.
I don't even bother with the calc stage now, just wing it on proto board right from the start.


Top
 Profile  
Reply with quote  
PostPosted: Feb 25th, '12, 14:21 
A posting God
A posting God
User avatar

Joined: Dec 10th, '11, 15:03
Posts: 2089
Gender: Male
Are you human?: What is human?
Location: Perth Hills
What are calcs? :shifty:

Wing it is how i roll :P


Top
 Profile  
Reply with quote  
PostPosted: Feb 25th, '12, 15:06 
Bordering on Legend
Bordering on Legend
User avatar

Joined: Oct 24th, '10, 17:16
Posts: 338
Gender: Male
Are you human?: Some Time
Location: Chonburi Thailand
Dui
I think calc is necessary.
I use Opamp do many functions(comparator, intregrator, schimit trigger, etc.) in my graduate thesis, motor control.
Design in paper before trial and error can save development time.


Top
 Profile  
Reply with quote  
PostPosted: Feb 25th, '12, 17:00 
A posting God
A posting God
User avatar

Joined: Oct 16th, '11, 06:12
Posts: 2019
Gender: Male
Are you human?: 0110010110
Location: Brisbane, qld
but math is boring !
:laughing3:


Top
 Profile  
Reply with quote  
PostPosted: Feb 25th, '12, 17:40 
SuperVeg wrote:
but math is boring !
:laughing3:


No it's not.... you can get pages of posts even out of a simple equation.... :lol:


Top
  
Reply with quote  
PostPosted: Feb 25th, '12, 18:13 
A posting God
A posting God
User avatar

Joined: Oct 16th, '11, 06:12
Posts: 2019
Gender: Male
Are you human?: 0110010110
Location: Brisbane, qld
:D


Top
 Profile  
Reply with quote  
PostPosted: Feb 25th, '12, 20:31 
A posting God
A posting God
User avatar

Joined: Dec 10th, '11, 15:03
Posts: 2089
Gender: Male
Are you human?: What is human?
Location: Perth Hills
:laughing3:


Top
 Profile  
Reply with quote  
PostPosted: Feb 27th, '12, 21:46 
A posting God
A posting God
User avatar

Joined: Oct 16th, '11, 06:12
Posts: 2019
Gender: Male
Are you human?: 0110010110
Location: Brisbane, qld
So are you just using one amp stage ?

I didn't think you like analogue :funny1:


Top
 Profile  
Reply with quote  
PostPosted: Feb 27th, '12, 23:00 
Almost divorced
Almost divorced
User avatar

Joined: Nov 11th, '09, 03:13
Posts: 1004
Gender: Male
Are you human?: The top half is
Location: Chiang Mai, NW Thailand.
SuperVeg wrote:
So are you just using one amp stage ?

I didn't think you like analogue :funny1:


I don't, but this circuit is great, it's like digital analogue :D


Top
 Profile  
Reply with quote  
Display posts from previous:  Sort by  
Post new topic Reply to topic  [ 18 posts ]  Go to page 1, 2  Next

All times are UTC + 8 hours


You cannot post new topics in this forum
You cannot reply to topics in this forum
You cannot edit your posts in this forum
You cannot delete your posts in this forum
You cannot post attachments in this forum

Search for:
Jump to:  

Powered by phpBB® Forum Software © phpBB Group
Portal by phpBB3 Portal © phpBB Türkiye
[ Time : 0.081s | 17 Queries | GZIP : Off ]