⚠️ This forum has been restored as a read-only archive so the knowledge shared by the community over many years remains available. New registrations and posting are disabled.

All times are UTC + 8 hours




Post new topic Reply to topic  [ 12 posts ] 
Author Message
 Post subject: hi from israel
PostPosted: Apr 2nd, '12, 14:43 
Valued Contributor
Valued Contributor
User avatar

Joined: Apr 2nd, '12, 12:42
Posts: 54
Gender: Male
Are you human?: yes
Location: israel
Morning all

short introduction:

I'm an ex Safrican living in Israel.
Aeronautical engineer by trade.

New to this bussiness.
In the process of setting up 1000 liter FT with 400 liter GB.
Intend to grow Talapia and fruity vegetables.
have just discovered that I'm going to have to stock my FT at much lower rates than I had hoped to.

Cheers
Thabo


Top
 Profile  
Reply with quote  
    Advertisement
 
 Post subject: Re: hi from israel
PostPosted: Apr 2nd, '12, 15:31 
Moderator
Moderator
User avatar

Joined: Jan 11th, '07, 14:20
Posts: 6449
Location: Perth
Gender: Female
Location: Jandakot
Welcome to the forum Thabo, all the way from Israel, wow, how did you get here?
I am always curious to hear how people find about about aquaponics.
Look forward to seeing your photos :)


Top
 Profile  
Reply with quote  
 Post subject: Re: hi from israel
PostPosted: Apr 2nd, '12, 15:49 
Valued Contributor
Valued Contributor
User avatar

Joined: Apr 2nd, '12, 12:42
Posts: 54
Gender: Male
Are you human?: yes
Location: israel
hi all

got interested in this when a friend moved here from South Africa and set up his own system.

how did I find you guys? GOOGLE!!! (it's my friend :))

I started setting up a couple weeks ago and have had some slow going but will get there in the end.

Bit of a wake-up to discover that you cant really stock at 1 fish per 10 liters water (although it didn't make all that much sense anyway). I had intended to start small and build up my stock as things progressed... no sense in buying a lot of fish only for them all to die because I'm still low down in the learning curve...

I'll post some pics later...

by the way, wondering if anyone knows weight of crushed stone per liter and how much water a liter of crushed stone will hold (i have checked 1/4" crushed stone and found that a liter weighs 1.6kg and holds 0.4 litres - total weight 2kg per liter. but don't intend to use that size stone)


Top
 Profile  
Reply with quote  
 Post subject: Re: hi from israel
PostPosted: Apr 3rd, '12, 09:52 
Bordering on Legend
Bordering on Legend
User avatar

Joined: Apr 26th, '08, 23:11
Posts: 466
Location: Narrogin, Western Australia
Gender: Male
Location: Narroigin, Western Australia
Try filling a litre container full with stone and measure how much water it takes to fill it up then use that percentage for your grow beds and you will be prety close.I used this method to estimate how much air was in a silo of wheat and a few years later some expert was quoting the same figure.It's 38%.


Top
 Profile  
Reply with quote  
 Post subject: Re: hi from israel
PostPosted: Apr 3rd, '12, 10:14 
Valued Contributor
Valued Contributor
User avatar

Joined: Apr 2nd, '12, 12:42
Posts: 54
Gender: Male
Are you human?: yes
Location: israel
thats what i did with the 1/4" crushed stone.
My back-yard is full of the stuff as we have a play area for the kids with swings and we didn't want to lay grass under them.
Once I buy the stone i will be able to check that size too but in the meantime I was wondering if anyone has tried it themselves


Top
 Profile  
Reply with quote  
 Post subject: Re: hi from israel
PostPosted: Apr 4th, '12, 13:43 
Valued Contributor
Valued Contributor
User avatar

Joined: Apr 2nd, '12, 12:42
Posts: 54
Gender: Male
Are you human?: yes
Location: israel
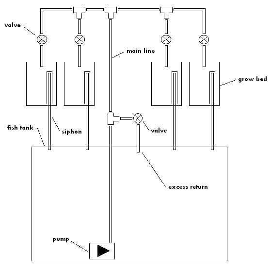
so, as promised, a few pics of what i'v been up to

here's the theory. will locate the grow beds above the fish tank and regulate flow rate to grow bed by use of valve which will send excess capacity (if it exists at all) back to the tank. this can aid with oxygenation of the water

Image

ran a whole bunch of tests on a prototype siphon to see what was most efficient and how i would need to set things up.

here is my first attempt

Image

Image

realized that the flow rate was way too low so went over to a bell siphon.

Image

still wasnt quite fast enough especially when the water level dropped to about 10cm. I was worried that at some point the out-flow rate would equal the inflow and i would be left with a system that could neither fill nor drain properly.

next step was to experiment with a longer pipe at the base of the bucket

Image

it worked a charm as you can see from the graph below

Image

next it was on to the building stage:
got an ICB and cleaned it out.

Image

warned the kids that if they misbehave they can sleep outside :)

cut a flap into the top so that i can fill it all the way and still close it so that it is kid-friendly and cat-unfriendly

Image

began building a stand made from a wooden pallet to support the grow beds above the tank

Image

finshed product:

Image

chopped a couple 250 liter barrels across the waist

Image

and now have 4 100 liter grow beds positioned over the tank

Image

i have a 3000 liter/hour submerged pump which will provide about 1000 liters at 2m head.
I began setting things up per the sketch below, but found that the valve that came with the pump leaks and will need to be replaced

Image

in the meantime i have just fed the pump straight back into the tank and am cycling the water that way.
not doing very much, but i have hung a bucket with moss from an existing mature pond in the tank so that i can start cultivating my bacteria.

Image

Image

it'll only be next week at the earliest that i get around to getting all the remaining parts, so in the meantime I'd appreciate any advice from those who have done this before me.

I will probably use crushed stone as grow media, although i may just decide to use volcanic rock as it's significantly lighter and i am a bit worried about my stand's ability to support the weight.

I will probably also strengthen the stand a bit before i load up the beds.
am a bit worried about having to do something like this:

Image


Top
 Profile  
Reply with quote  
 Post subject: Re: hi from israel
PostPosted: Mar 19th, '13, 16:56 

Joined: Mar 19th, '13, 16:42
Posts: 4
Gender: Male
Are you human?: YES
Location: Israel, Negev
Shalom Thabo,

I live on a Moshav in the Negev and have read about this subject and am looking for people in Israel who have done BackYard Aquaponics...

Do you live in the south? I would be very interested in talking to you and see the work you have done..

Best regards

David B.


Top
 Profile  
Reply with quote  
 Post subject: Re: hi from israel
PostPosted: Mar 20th, '13, 04:27 
Bordering on Legend
Bordering on Legend
User avatar

Joined: Jan 16th, '13, 06:47
Posts: 259
Location: North Las Vegas, NV
Gender: Female
Are you human?: YES
Location: North Las Vegas
Ok... and I haven't built mine, so I'm really a spectator... but, other than managing a 'gravity return', why do you have your growbeds so high? You have to get a ladder to check them. One of the 'joys' of AP, I thought, was keeping your plant material at waist level for easy access.

Your system certainly has a tidy footprint... but you have to get to the grow beds to plant, check for pests, and to harvest.


Top
 Profile  
Reply with quote  
 Post subject: Re: hi from israel
PostPosted: Mar 22nd, '13, 17:15 

Joined: Mar 19th, '13, 16:42
Posts: 4
Gender: Male
Are you human?: YES
Location: Israel, Negev
Here is another question?

The system seems very simple, one pump only, and i liked that it does not use a lot of area... BUT...

What about the sump tank?
Isn't it keeping the temperature of the water constant and making unwanted particles sump to the bottom of the tank where they can be removed?

In principle you could make a sump tank between the grow beds and the fish tank, and still use gravity to make it work. Only you would let the water exit the sump tank a bit over its floor level. But i am not sure how this would cater for the need of constant temperature.

Best regards and Behatzlaha..

db


Top
 Profile  
Reply with quote  
 Post subject: Re: hi from israel
PostPosted: Sep 16th, '13, 01:45 

Joined: Sep 15th, '13, 19:50
Posts: 5
Gender: Male
Are you human?: YES
Location: Israel
Hi thabo,

I am also in Israel. Where are you located? I would love to come see your system in action. I am new to the game and watching videos to learn about how to make it happen.


Top
 Profile  
Reply with quote  
 Post subject: Re: hi from israel
PostPosted: Nov 28th, '13, 21:45 

Joined: Oct 18th, '13, 18:40
Posts: 1
Gender: Male
Are you human?: yes
Location: Nes Harim, Israel
Hi, I live in a Moshav south west of Jerusalem and my son and I just took the course with Livingreen.co.il and in the process of setting up a back yard system with 4 grow beds. But haven't been able to find the necessary fittings and grow beds so I am just hiring Livingreen to do it for me. We also just finished a Internet course. Would like to meet and see any operations in Israel.


Top
 Profile  
Reply with quote  
 Post subject: Re: hi from israel
PostPosted: Dec 2nd, '13, 10:07 

Joined: Dec 2nd, '13, 09:35
Posts: 7
Gender: Male
Are you human?: Yes
Location: CA
The promised land. Nice. Hope to take a visit someday.
Nice setup, subscribed


Top
 Profile  
Reply with quote  
Display posts from previous:  Sort by  
Post new topic Reply to topic  [ 12 posts ] 

All times are UTC + 8 hours


You cannot post new topics in this forum
You cannot reply to topics in this forum
You cannot edit your posts in this forum
You cannot delete your posts in this forum
You cannot post attachments in this forum

Search for:
Jump to:  
cron

Powered by phpBB® Forum Software © phpBB Group
Portal by phpBB3 Portal © phpBB Türkiye
[ Time : 0.167s | 13 Queries | GZIP : Off ]