⚠️ This forum has been restored as a read-only archive so the knowledge shared by the community over many years remains available. New registrations and posting are disabled.

All times are UTC + 8 hours




Post new topic Reply to topic  [ 16 posts ]  Go to page 1, 2  Next
Author Message
 Post subject: HI from Yanchep, WA
PostPosted: Dec 24th, '11, 10:38 

Joined: Dec 24th, '11, 10:04
Posts: 4
Gender: Male
Are you human?: yes
Location: Yanchep, Western Australia
A big hello to all. I got linked to this site only 1 week ago and have already planned my first system and sourced all of the materials needed. I am addicted and I havent even started yet.

I stopped at a vegetable grower after noticing a large pile of IBC's near their shed and I asked if he wanted to get rid of any and he told me I could take as many as I want for free......SCORE. They have had chemicals in them but have been assured that after a good wash they will be fine. I will be running the system with minimal fish to start with to ensure that this is the case.

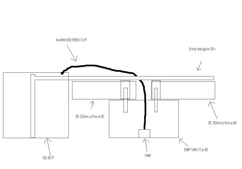
Below is a terrible rendering of the planned system. I would love to know if anyone sees any potential hazards etc..

Attachment:
File comment: Planned System
untitled.JPG
untitled.JPG [ 24.34 KiB | Viewed 3621 times ]


Top
 Profile  
Reply with quote  
    Advertisement
 
 Post subject: Re: HI from Yanchep, WA
PostPosted: Dec 24th, '11, 10:50 
Moderator
Moderator
User avatar

Joined: Jan 11th, '07, 14:20
Posts: 6449
Location: Perth
Gender: Female
Location: Jandakot
Hi Danboya and welcome to the forum. Well like the rest here, I guess you are probably hooked now :)
Free IBCs that is a good score :thumbright: Have you downloaded the free IBC of aquaponics, it will tell you all that you need to know as well as linking directly to peoples threads if you would like any further information
http://www.backyardaquaponics.com/compo ... onics.html
It is always great to see photos including before shots of where the system is to go and you will get lots of help and interest here.


Top
 Profile  
Reply with quote  
 Post subject: Re: HI from Yanchep, WA
PostPosted: Dec 24th, '11, 10:58 
What diameter is the non-kink hose... you really need at least a 25 mm delivery to the IBC IMO...


Top
  
Reply with quote  
 Post subject: Re: HI from Yanchep, WA
PostPosted: Dec 24th, '11, 11:06 

Joined: Dec 24th, '11, 10:04
Posts: 4
Gender: Male
Are you human?: yes
Location: Yanchep, Western Australia
Can't remember off the top of my head but I am pretty sure it is 25 mm. I did think that anything smaller wouldnt flow as well.


Top
 Profile  
Reply with quote  
 Post subject: Re: HI from Yanchep, WA
PostPosted: Dec 24th, '11, 11:59 
Bordering on Legend
Bordering on Legend

Joined: Nov 2nd, '11, 08:54
Posts: 382
Location: Perth
Gender: Male
Are you human?: YES
Location: Perth near the hills
welcome to the forum, your in the right place to learn thats for sure!

Be worth dropping into teh BYAP shop to have a look at their setups(and see the fish feed!)

Was just there myself a hour ago, got some fish food after getting some silvers from Wavey off the site.


Top
 Profile  
Reply with quote  
 Post subject: Re: HI from Yanchep, WA
PostPosted: Dec 24th, '11, 12:12 

Joined: Dec 24th, '11, 10:04
Posts: 4
Gender: Male
Are you human?: yes
Location: Yanchep, Western Australia
I definately will try to get over there. It is quite a trip for me but would love to have a look in the new year. I have found a place to get silver perch near me for $3 each if i buy more than 10. Is that an alright price?


Top
 Profile  
Reply with quote  
 Post subject: Re: HI from Yanchep, WA
PostPosted: Dec 24th, '11, 12:47 
Moderator
Moderator
User avatar

Joined: Mar 24th, '10, 13:00
Posts: 5086
Gender: Male
Are you human?: Daughters think not
Location: Horsham, Victoria, Australia
Plan looks good. Welcome :wave1:


Top
 Profile  
Reply with quote  
 Post subject: Re: HI from Yanchep, WA
PostPosted: Dec 24th, '11, 20:43 
Site Admin
Site Admin
User avatar

Joined: Mar 12th, '06, 07:56
Posts: 17803
Images: 4
Location: Perth
Gender: Male
Blog: View Blog (1)
Hi Danboya....

depends on the size of the perch, but it's probably not too bad...


Top
 Profile Personal album  
Reply with quote  
 Post subject: Re: HI from Yanchep, WA
PostPosted: Dec 24th, '11, 20:44 
Site Admin
Site Admin
User avatar

Joined: Mar 12th, '06, 07:56
Posts: 17803
Images: 4
Location: Perth
Gender: Male
Blog: View Blog (1)
You were at the shop today Roodog? Hope you saw Faye working hard.... :wink:


Top
 Profile Personal album  
Reply with quote  
 Post subject: HI from Yanchep, WA
PostPosted: Dec 24th, '11, 22:31 
Bordering on Legend
Bordering on Legend

Joined: Nov 2nd, '11, 08:54
Posts: 382
Location: Perth
Gender: Male
Are you human?: YES
Location: Perth near the hills
Yea when i walkwd in Faye was hard at work nwar the front door.

Showed the kids baz they saw the chickens and got to pat one( my daughter remembers it as the chicken place)

Thought i saw you walk in but you vanished so didnt get to say gday and Faye was not there when i left.


Top
 Profile  
Reply with quote  
 Post subject: Re: HI from Yanchep, WA
PostPosted: Dec 24th, '11, 22:44 
Moderator
Moderator
User avatar

Joined: Jan 11th, '07, 14:20
Posts: 6449
Location: Perth
Gender: Female
Location: Jandakot
Sorry to have missed you, think I may have had to move the truck. Was there an Ibc leaving about thar time perhaps?


Top
 Profile  
Reply with quote  
 Post subject: Re: HI from Yanchep, WA
PostPosted: Dec 25th, '11, 08:12 
Bordering on Legend
Bordering on Legend
User avatar

Joined: Mar 26th, '10, 12:08
Posts: 296
Gender: Male
Are you human?: Depends on the time
Location: Blue Mtns, NSW
Plan looks pretty standard so it is a proven winner. However, I would make your GBs a bit deeper. Generally 300mm of media is a good depth so you GB should be about 350mm deep IMO.


Top
 Profile  
Reply with quote  
 Post subject: HI from Yanchep, WA
PostPosted: Dec 25th, '11, 10:28 
Bordering on Legend
Bordering on Legend

Joined: Nov 2nd, '11, 08:54
Posts: 382
Location: Perth
Gender: Male
Are you human?: YES
Location: Perth near the hills
faye wrote:
Sorry to have missed you, think I may have had to move the truck. Was there an Ibc leaving about thar time perhaps?


Ibc was leaving when we walked in, well the one on the trailer. Looked like a ibc kit as they had hydroton as well.

Rmcpb has a point. You could raise your fish tank a bit to get bigger growbed depth or sink the sump partially in the ground.

Pretty sure your sys will do 20 odd fish


Top
 Profile  
Reply with quote  
 Post subject: Re: HI from Yanchep, WA
PostPosted: Dec 28th, '11, 07:36 

Joined: Dec 24th, '11, 10:04
Posts: 4
Gender: Male
Are you human?: yes
Location: Yanchep, Western Australia
I get my IBC's tomorrow, getting super excited. A few newbie questions because I am over thinking everything.

If I make my grow beds 300mm (roughly 300 lt) will a 600 Lt sump be big enough without draining itself?

Would I be better running a constant flow and having loop siphons?

Thanks in advance.

Dan


Top
 Profile  
Reply with quote  
 Post subject: Re: HI from Yanchep, WA
PostPosted: Dec 28th, '11, 07:50 
Bordering on Legend
Bordering on Legend

Joined: Nov 2nd, '11, 08:54
Posts: 382
Location: Perth
Gender: Male
Are you human?: YES
Location: Perth near the hills
600Lt sump would be fine, of the 300LT growbed only a portion of that will hold water(30-40%, its early and im at work so I cant remember the correct % lol). So say 2 x 300L growbeds would be about 250L of water in them at any time.. you need a bit of water in the sump so it doesnt go dry.

I guess if you wanted another 2 growbeds you could plumb another 600L sump into the existing growbed too.


Top
 Profile  
Reply with quote  
Display posts from previous:  Sort by  
Post new topic Reply to topic  [ 16 posts ]  Go to page 1, 2  Next

All times are UTC + 8 hours


You cannot post new topics in this forum
You cannot reply to topics in this forum
You cannot edit your posts in this forum
You cannot delete your posts in this forum
You cannot post attachments in this forum

Search for:
Jump to:  
cron

Powered by phpBB® Forum Software © phpBB Group
Portal by phpBB3 Portal © phpBB Türkiye
[ Time : 0.151s | 17 Queries | GZIP : Off ]