All times are UTC + 8 hours




Post new topic Reply to topic  [ 46 posts ]  Go to page 1, 2, 3, 4  Next
Author Message
 Post subject: Pedal power
PostPosted: Oct 18th, '08, 14:57 
Almost divorced
Almost divorced
User avatar

Joined: Apr 6th, '07, 19:29
Posts: 1213
Location: SOUTH AFRICA
Gender: Female
Are you human?: yes
Location: Hartbeespoort. SOUTH AFRICA
I have become more and more fascinated with this topic. I agree with timmy that if my fish had to rely on only me pedalling they would not do well.... :D But it is a super built in backup to other alternate pumping resources. And who needs a local gym!

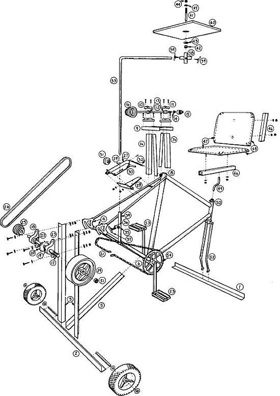
I found plans on how to build a homemade foot-powered generator. See pic below.

Website here.........http://www.autonopedia.org.uk/renewable ... Power.html


Attachments:
Rodale_Bicycle_Power-1.jpg
Rodale_Bicycle_Power-1.jpg [ 57.03 KiB | Viewed 7937 times ]
Top
 Profile  
Reply with quote  
    Advertisement
 
 Post subject: Re: Pedal power
PostPosted: Oct 18th, '08, 15:07 
Almost divorced
Almost divorced
User avatar

Joined: Apr 6th, '07, 19:29
Posts: 1213
Location: SOUTH AFRICA
Gender: Female
Are you human?: yes
Location: Hartbeespoort. SOUTH AFRICA
From UNDERSTANDING PEDAL POWER...http://www.autonopedia.org.uk/renewable ... alPwr.html

Quote:
A person can generate four times more power (1/4 horsepower (hp)) by pedaling than by hand-cranking. At the rate of 1/4hp, continuous pedaling can be done for only short periods, about 10 minutes. However, pedaling at half this power (1/8 hp) can be sustained for around 60 minutes. Pedal power enables a person to drive devices at the same rate as that achieved by hand-cranking, but with far less effort and fatigue. Pedal power also lets one drive devices at a faster rate than before (e.g. winnower), or operate devices that require too much power for hand-cranking (e.g. thresher)...........

.......How fast should a person pedal? Human beings are very adaptable and can produce power over a wide range of pedaling speeds. However, people can produce more power--or the same amount of power for a longer time--if they pedal at a certain rate. This rate varies from person to person depending on their physical condition, but for each individual there is a pedaling speed somewhere between straining and flailing that is the most comfortable, and the most efficient in terms of power production. (For centuries, this fact was apparently not recognized. The predominant method of human power production was to strain with maximum strength against a slowly yielding resistance. This is neither comfortable nor efficient. Neither is the opposite extreme of flailing at full speed against a very small resistance.


And also to 2 man DYNAPOD that can also be used by one.....
Quote:
A two-person dynapod that can be pedaled either by one person at a time, or by two people together. It is also possible to fit a special adaptor so that a direct shaft drive leads off the unit and powers a flour mill or other machine. (When this is done, only one person can pedal at a time.)


Attachments:
2 man dynapod.GIF
2 man dynapod.GIF [ 17.7 KiB | Viewed 7937 times ]
Top
 Profile  
Reply with quote  
 Post subject: Re: Pedal power
PostPosted: Oct 19th, '08, 08:51 
A posting God
A posting God

Joined: Sep 15th, '07, 09:09
Posts: 3712
Location: WA
Gender: Male
Ok if we are onto unusual again. :lol:
I have a chinese electric bycicle, 3x12v 12 ah batteries. Has a regenerative hub motor and removable battery pack.
Everyone who needs to run errands or just cycle round gets to use it for the day (not using the power). Pull the pack out drive whatever you need to shove it back in the bicycle an your good to go for the next day charging.


Top
 Profile  
Reply with quote  
 Post subject: Re: Pedal power
PostPosted: Oct 19th, '08, 13:22 
Almost divorced
Almost divorced
User avatar

Joined: Apr 6th, '07, 19:29
Posts: 1213
Location: SOUTH AFRICA
Gender: Female
Are you human?: yes
Location: Hartbeespoort. SOUTH AFRICA
Now isn't that a neat idea! :cheers:
Double use..
You have a pic Sleepe? I have never even heard of such a bike. :D


Top
 Profile  
Reply with quote  
 Post subject: Re: Pedal power
PostPosted: Oct 19th, '08, 13:47 
A posting God
A posting God

Joined: Sep 15th, '07, 09:09
Posts: 3712
Location: WA
Gender: Male
Pic of bike and removable pack, the Chinese are very strange as the bike has an imobiliser fitted :roll:


Attachments:
IMG_0034 (Medium).jpg
IMG_0034 (Medium).jpg [ 50.12 KiB | Viewed 7881 times ]
IMG_0033 (Medium).jpg
IMG_0033 (Medium).jpg [ 96.89 KiB | Viewed 7887 times ]
Top
 Profile  
Reply with quote  
 Post subject: Re: Pedal power
PostPosted: Oct 19th, '08, 15:57 
Almost divorced
Almost divorced

Joined: Dec 9th, '06, 20:31
Posts: 1079
Location: Drongen, Belgium
Gender: Male
Location: Drongen, Belgium
nice thread and indeed interesting ideas

but, unless you would use your leg power for applications that need electricity (powering a PC, light,...)
I would forget the generator/batteries ideas
as it is much more efficient and cheaper to directly transform kinetic energy into kinetic energy like milling or transport or pumping,
where your batteries and generator are redundant (milling, transport) or are created by stocking the water in a header tank (pumping)

a header tank is the most simple battery one can possibly think of and can be used for other purposes too

every intermediate transformation of energy has it's own efficiency losses

if possible they should all be made redundant

Frank


Top
 Profile  
Reply with quote  
 Post subject: Re: Pedal power
PostPosted: Oct 19th, '08, 16:07 
Site Admin
Site Admin
User avatar

Joined: Mar 22nd, '06, 00:28
Posts: 12757
Location: Melbourne, Victoria
Gender: Male
Are you human?: YES- kinda
Location: Melb Vic OZ
ah yes, BUT where a water storage tank driving some sort of turbine to do work will have only ONE rpm range where it is most efficient a DC motor can provide high torque at 0 rpm and be efficient over a wide rpm band. Also hard to drive smaller loads with water. who will build where will you buy the turbines required?


Top
 Profile  
Reply with quote  
 Post subject: Re: Pedal power
PostPosted: Oct 19th, '08, 16:44 
Almost divorced
Almost divorced

Joined: Dec 9th, '06, 20:31
Posts: 1079
Location: Drongen, Belgium
Gender: Male
Location: Drongen, Belgium
steve wrote:
ah yes, BUT where a water storage tank driving some sort of turbine to do work will have only ONE rpm range where it is most efficient a DC motor can provide high torque at 0 rpm and be efficient over a wide rpm band. Also hard to drive smaller loads with water. who will build where will you buy the turbines required?

steve, you overlooked my introductory sentence:
hygicell wrote:
unless you would use your leg power for applications that need electricity (powering a PC, light,...)
I would forget the generator/batteries ideasFrank


it is obvious that if your aim is to produce electricity, then the header tank and the pumping are redundant

keep things simple: decide what you want to use your leg power for, then apply it directly without go-betweens

frank


Top
 Profile  
Reply with quote  
 Post subject: Re: Pedal power
PostPosted: Oct 19th, '08, 17:14 
Site Admin
Site Admin
User avatar

Joined: Mar 22nd, '06, 00:28
Posts: 12757
Location: Melbourne, Victoria
Gender: Male
Are you human?: YES- kinda
Location: Melb Vic OZ
LOL, not at all, i said nothing of devices requiring electrical power to operate (lights, PC)

i said that in certain circumstances a DC motor would prove more efficient driving a mechanical load than a tank driving a turbine.

Quote:
where it is most efficient a DC motor can provide high torque at 0 rpm and be efficient over a wide rpm band. Also hard to drive smaller loads with water.


Top
 Profile  
Reply with quote  
 Post subject: Re: Pedal power
PostPosted: Oct 19th, '08, 18:46 
Almost divorced
Almost divorced
User avatar

Joined: Apr 6th, '07, 19:29
Posts: 1213
Location: SOUTH AFRICA
Gender: Female
Are you human?: yes
Location: Hartbeespoort. SOUTH AFRICA
Sleepe wrote:
Pic of bike and removable pack, the Chinese are very strange as the bike has an imobiliser fitted :roll:

Thanks for the pics Sleepe! :D What do you use the power for? Probably to help pedal on the road..? It is a clever idea.
Maybe the bikes are very popular in China and so an immobiliser is needed to prevent stealing. :flower:


Top
 Profile  
Reply with quote  
 Post subject: Re: Pedal power
PostPosted: Oct 19th, '08, 18:51 
Almost divorced
Almost divorced
User avatar

Joined: Apr 6th, '07, 19:29
Posts: 1213
Location: SOUTH AFRICA
Gender: Female
Are you human?: yes
Location: Hartbeespoort. SOUTH AFRICA
hygicell wrote:
a header tank is the most simple battery one can possibly think of and can be used for other purposes too

every intermediate transformation of energy has it's own efficiency losses

Yes, I agree Frank. Feintstar's idea of that larger header tank is superb. You have the water exactly where you want it with no further energy needed to get it to the GBs etc... The simplest battery. I think it is worth the initial expense of building a large header and sump tank.


Top
 Profile  
Reply with quote  
 Post subject: Re: Pedal power
PostPosted: Oct 19th, '08, 18:55 
Almost divorced
Almost divorced

Joined: Dec 9th, '06, 20:31
Posts: 1079
Location: Drongen, Belgium
Gender: Male
Location: Drongen, Belgium
steve wrote:
i said that in certain circumstances a DC motor would prove more efficient driving a mechanical load than a tank driving a turbine.


I must have explained poorly:
why on earth would you want a tank in which you have pumped the water by leg muscle drive a turbine?
if you want electricity, the pumping and the tank are redundant, thus inefficient

frank


Top
 Profile  
Reply with quote  
 Post subject: Re: Pedal power
PostPosted: Oct 19th, '08, 18:56 
Almost divorced
Almost divorced
User avatar

Joined: Apr 6th, '07, 19:29
Posts: 1213
Location: SOUTH AFRICA
Gender: Female
Are you human?: yes
Location: Hartbeespoort. SOUTH AFRICA
steve wrote:
ah yes, BUT where a water storage tank driving some sort of turbine to do work will have only ONE rpm range where it is most efficient a DC motor can provide high torque at 0 rpm and be efficient over a wide rpm band. Also hard to drive smaller loads with water. who will build where will you buy the turbines required?

If the water storage is up top where you need it Steve a turbine is redundant. And certainly wouldn't be adequate either... just as you say. Wrong application.


Top
 Profile  
Reply with quote  
 Post subject: Re: Pedal power
PostPosted: Oct 19th, '08, 19:25 
Almost divorced
Almost divorced

Joined: Dec 9th, '06, 20:31
Posts: 1079
Location: Drongen, Belgium
Gender: Male
Location: Drongen, Belgium
Cyara wrote:
hygicell wrote:
a header tank is the most simple battery one can possibly think of and can be used for other purposes too

every intermediate transformation of energy has it's own efficiency losses

Yes, I agree Frank. Feintstar's idea of that larger header tank is superb. You have the water exactly where you want it with no further energy needed to get it to the GBs etc... The simplest battery. I think it is worth the initial expense of building a large header and sump tank.


I must be in a "failing at explaining" period :geek: :geek:

but I do my best :P :|

... the sump must not be as big as the top tank, Chelle

it must be only as big as the "battery" function of the top tank, that is the volume of water that allows you to leave the system unattended without power source, whether that is electrical, wind or water, or leg power or any other

but the top tank can be much bigger than that, which allows it to provide other functions:

with a bigger top tank you can keep fish in this tank at the density you want (1)

having fish in this tank will provide nutrients for your first row of growbeds (2)

moreover this tank, with a black south facing side and dark interior sides, will stock solar energy (3)

it will also stock the solar energy coming from your sump if that has a black south facing side and dark interior sides (4)

that will all serve as a heat sink and equalize the temperatures in your greenhouse (5)

you can have floating rafts in this tank (6)

win, win, win, win, win, ... win, Chelle

I would make it as big as possible
that way the "battery" function diminishes
but all the other advantages increase

frank


Top
 Profile  
Reply with quote  
 Post subject: Re: Pedal power
PostPosted: Oct 19th, '08, 20:18 
A posting God
A posting God

Joined: Sep 15th, '07, 09:09
Posts: 3712
Location: WA
Gender: Male
"Maybe the bikes are very popular in China and so an immobiliser is needed to prevent stealing."

It was a remote which 'immobilised' the electrical system; this is a bicycle (with pedals) :lol:

Frank

What would you rather do ? (1)sit on a machine that did not move and you had to pedal; or (2) Organise races for the local kids, you supply the bike of course :)


Top
 Profile  
Reply with quote  
Display posts from previous:  Sort by  
Post new topic Reply to topic  [ 46 posts ]  Go to page 1, 2, 3, 4  Next

All times are UTC + 8 hours


You cannot post new topics in this forum
You cannot reply to topics in this forum
You cannot edit your posts in this forum
You cannot delete your posts in this forum
You cannot post attachments in this forum

Search for:
Jump to:  
cron

Powered by phpBB® Forum Software © phpBB Group
Portal by phpBB3 Portal © phpBB Türkiye
[ Time : 0.057s | 15 Queries | GZIP : Off ]