All times are UTC + 8 hours




Post new topic Reply to topic  [ 344 posts ]  Go to page 1, 2, 3, 4, 5 ... 23  Next
Author Message
 Post subject: MIDWEST IBC System
PostPosted: Mar 30th, '14, 03:36 
Legend Member
Legend Member
User avatar

Joined: Aug 30th, '12, 09:54
Posts: 692
Gender: Male
Are you human?: No a meat popsicle
Location: St. Louis, MO USA
The indoor system is doing great, now it is time to go outside. So far I Just have 2 IBC totes. One to use as the fish tank and the other for the grow beds.

Today I was mostly planing to cut the top out hole out for the fish tank. I am think of leaving some more on the sides. Picture below shows what I pan to do. 25cm in form the short side and 10cm in from the long sides. I will round the corners also. I am doing this on the dirtiest tote because I was able to get the other one cleaner and still might use it as just rain collection. Barrels I can get cheaper than $10 in bulk and still may use them as the grow beds.

This is as far as I might get for a few days because I still need to wait on parents truck ability before I can get PVC pipe, totes, or barrels. I might get a barrel in my hybrid but only one.

Hybrid in question
http://www.flickr.com/photos/20102150@N06/10889041496/
And yes those are purple rims. :)


Attachments:
IMG_9591 (800x450).jpg
IMG_9591 (800x450).jpg [ 144.09 KiB | Viewed 26299 times ]
HOUSE (800x429).jpg
HOUSE (800x429).jpg [ 275.92 KiB | Viewed 26299 times ]
Top
 Profile  
Reply with quote  
    Advertisement
 
 Post subject: Re: MIDWEST IBC System
PostPosted: Mar 30th, '14, 05:08 
Valued Contributor
Valued Contributor
User avatar

Joined: Mar 12th, '13, 19:01
Posts: 89
Gender: Male
Are you human?: god will decide
Location: on the move
Hey!

It does look neat on Google sketch Up!

All the best for your system!


Top
 Profile  
Reply with quote  
 Post subject: Re: MIDWEST IBC System
PostPosted: Mar 30th, '14, 12:04 
Legend Member
Legend Member
User avatar

Joined: Aug 30th, '12, 09:54
Posts: 692
Gender: Male
Are you human?: No a meat popsicle
Location: St. Louis, MO USA
I'm not the best at Sketch Up so I'm thinking there will be a 90% chance stuff will change.

I went to Menards and looked at a lot of the plumbing stuff. For the SLO these two fittings caught my eye. One is for pumping water out of a lake and the other is pump screen

2-lake-screen-filter

2-plastic-suction-strainer

size units for those that are not one of the 3 countries that do not use the metric system. :D

My local prices.
50mm pipe 3m length $5.79
50mm 90* $0.88 each
50mm male thread $1.24


Attachments:
IMG_1398 (800x600).jpg
IMG_1398 (800x600).jpg [ 225.52 KiB | Viewed 26269 times ]
IMG_1399 (800x600).jpg
IMG_1399 (800x600).jpg [ 207.93 KiB | Viewed 26269 times ]
Top
 Profile  
Reply with quote  
 Post subject: Re: MIDWEST IBC System
PostPosted: Mar 30th, '14, 20:27 
Moderator
Moderator
User avatar

Joined: May 27th, '06, 04:57
Posts: 6480
Images: 0
Gender: Male
Are you human?: I'm a pleasure droid
Location: Frederick, Maryland
Nice hardware!


Top
 Profile  
Reply with quote  
 Post subject: Re: MIDWEST IBC System
PostPosted: Mar 31st, '14, 02:14 
Legend Member
Legend Member
User avatar

Joined: Aug 30th, '12, 09:54
Posts: 692
Gender: Male
Are you human?: No a meat popsicle
Location: St. Louis, MO USA
Dave Donley wrote:
Nice hardware!

I think the lake screen is a bit overkill but tempting. The slots in it are very fine. 8-10mm long and about 1-2mm wide.

I cut my top a hour ago now time to give it a good clean. What would you recommend? I have herd about filling it up with water and using Dawn and then water with baking soda and one last fill it up with water and a bit of bleach and just let that leave naturally from the water.

Got most of the gunk with the power washer out and still left a slimy film.


Attachments:
IMG_9595 (800x450).jpg
IMG_9595 (800x450).jpg [ 120.92 KiB | Viewed 26243 times ]
IMG_9594 (800x450).jpg
IMG_9594 (800x450).jpg [ 152.93 KiB | Viewed 26243 times ]
Top
 Profile  
Reply with quote  
 Post subject: Re: MIDWEST IBC System
PostPosted: Mar 31st, '14, 03:17 
In need of a life
In need of a life
User avatar

Joined: Jan 24th, '13, 08:01
Posts: 1548
Gender: Male
Are you human?: Sometimes
Location: Australia, Victoria, Northern Suburbs
You'd lose a few fingerlings up the SLO with that black fitting. I've found holes rather than slots are better for small fish, even with narrow slots you get the occasional fish manage to find it's way up the slot.


Top
 Profile  
Reply with quote  
 Post subject: Re: MIDWEST IBC System
PostPosted: Apr 1st, '14, 04:22 
Legend Member
Legend Member
User avatar

Joined: Aug 30th, '12, 09:54
Posts: 692
Gender: Male
Are you human?: No a meat popsicle
Location: St. Louis, MO USA
I found a few bulkhead fittings online. I can get(4)50mm for $36 (4) 25mm for $25.

Locally they are pricy as hell. Difference between the 25mm and 50mm is like $2.50. It's nice that I can find them locally, but it will be a emergency. $12.50 for 50mm I find high.

Where do you source your uncommon fittings?

Also I am thinking of a design change. The system that Icemandude did with Shoestring got me thinking. I'm wanting to hide most of the pipe and that sparked an Idea that might work for what I'm thinking about. Napkin sketch coming soon....


Top
 Profile  
Reply with quote  
 Post subject: Re: MIDWEST IBC System
PostPosted: Apr 1st, '14, 10:07 
Legend Member
Legend Member
User avatar

Joined: Aug 30th, '12, 09:54
Posts: 692
Gender: Male
Are you human?: No a meat popsicle
Location: St. Louis, MO USA
Here is the other design, I like this version a bit more. The sketch is crap, but I can probably make is suck less on Sketch up. Plan is to bury the line from the fish tank and the line back from the sump and still have the grow beds at a fairly reasonable height. The Sketch Up model should be a better example of what I'm going with.

Still open to ideas and suggestions.

I also made a fitting to go on the valve so that I can drain the water away from the house when I'm cleaning out the IBC. I just have a the tank full right now with a little Simple Green to break down the film. Non toxic and biodegradable smells less like ass from the dog food flavoring that was in there to begin with.


Attachments:
IMG_1414 (800x600).jpg
IMG_1414 (800x600).jpg [ 170.06 KiB | Viewed 26201 times ]
IMG_1413.JPG
IMG_1413.JPG [ 88.72 KiB | Viewed 26201 times ]
Top
 Profile  
Reply with quote  
 Post subject: Re: MIDWEST IBC System
PostPosted: Apr 1st, '14, 20:21 
A posting God
A posting God

Joined: Apr 8th, '10, 23:51
Posts: 2017
Location: Fairport Harbor, OH
Gender: Male
Are you human?: yes
Location: fairport harbor ohio-on lake erie
if your growbeds are lower than the surface of your ft water, then drain from the ft to the gb's, gb's drain to sump, pump water from sump to fishtank (only)..


Top
 Profile  
Reply with quote  
 Post subject: Re: MIDWEST IBC System
PostPosted: Apr 1st, '14, 21:22 
Legend Member
Legend Member
User avatar

Joined: Aug 30th, '12, 09:54
Posts: 692
Gender: Male
Are you human?: No a meat popsicle
Location: St. Louis, MO USA
keith wrote:
if your growbeds are lower than the surface of your ft water, then drain from the ft to the gb's, gb's drain to sump, pump water from sump to fishtank (only)..

I realize after you posted this that I have the pump going to fish tank and growbed. It will just be going to the fish tank and beds are gravity fed.


Top
 Profile  
Reply with quote  
 Post subject: Re: MIDWEST IBC System
PostPosted: Apr 1st, '14, 21:38 
Xtreme Contributor
Xtreme Contributor
User avatar

Joined: Mar 1st, '14, 01:53
Posts: 163
Location: GA, USA
Gender: Male
Are you human?: Today I am
Location: United States, GA
Dr. Nate from Bright Agrotech (on youtube) makes some good points about pumping from the sump to both the fish tank and the growbeds. Also (and I know thousands of people do it this way) gravity draining straight from the FT to the GB's builds up alot of in your growbeds and pipes if you don't have a filter (i.e. Radial Flow Filter).

To each his own. Find what works for you.


Top
 Profile  
Reply with quote  
 Post subject: Re: MIDWEST IBC System
PostPosted: Apr 2nd, '14, 00:05 
Legend Member
Legend Member
User avatar

Joined: Aug 30th, '12, 09:54
Posts: 692
Gender: Male
Are you human?: No a meat popsicle
Location: St. Louis, MO USA
CHOP 2? I have that for my indoor system and a crappy but working filter for solids.

I skipped working on the Sketch Up model and working on a version in CAD. Won't be 3D but shuld explain better. I know water wants to go to the lowest point so I hope that this can work. Going from SLO to below grade the back up to close to where the water height is in fish tank for growbeds.


Top
 Profile  
Reply with quote  
 Post subject: Re: MIDWEST IBC System
PostPosted: Apr 2nd, '14, 07:16 
Legend Member
Legend Member
User avatar

Joined: Aug 30th, '12, 09:54
Posts: 692
Gender: Male
Are you human?: No a meat popsicle
Location: St. Louis, MO USA
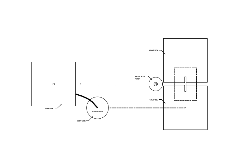
Here are my updated sketches. Mostly going by what size I think things are, but need to look up what they are when I build. The tank may have to be higher.

If you have any comment or suggestions please tell me.


Attachments:
side.jpg
side.jpg [ 29.37 KiB | Viewed 26054 times ]
top.jpg
top.jpg [ 27.89 KiB | Viewed 26054 times ]
Top
 Profile  
Reply with quote  
 Post subject: Re: MIDWEST IBC System
PostPosted: Apr 3rd, '14, 07:59 
Legend Member
Legend Member
User avatar

Joined: Aug 30th, '12, 09:54
Posts: 692
Gender: Male
Are you human?: No a meat popsicle
Location: St. Louis, MO USA
Had a crap load of rain today. I should of closed the valve after I drained the tank the night before....

There is still a bit of cleaning left to do and will be ordering fittings tonight or tomorrow. I also need 2 barrels but that will be the cheap part of this whole thing so far.


Top
 Profile  
Reply with quote  
 Post subject: Re: MIDWEST IBC System
PostPosted: Apr 8th, '14, 00:44 
Legend Member
Legend Member
User avatar

Joined: Aug 30th, '12, 09:54
Posts: 692
Gender: Male
Are you human?: No a meat popsicle
Location: St. Louis, MO USA
Nothing much going on right now with this system. I have been a bit busy and lazy lately. There was a lot of rain last week and I had to do a few things also, but slept in on the weekend.

Still looking at doing 50mm drain from fish tank and 25mm drain from growbed. Also having issues with the slime from the dog food flavoring still on the IBC tote. Power washer has a hard time getting the tote clean on the top edge and I am still finding bits that I missed still stuck to the side. Sitting a few days full with water and half a bottle Simple Green has just made he tote smell better.


Top
 Profile  
Reply with quote  
Display posts from previous:  Sort by  
Post new topic Reply to topic  [ 344 posts ]  Go to page 1, 2, 3, 4, 5 ... 23  Next

All times are UTC + 8 hours


You cannot post new topics in this forum
You cannot reply to topics in this forum
You cannot edit your posts in this forum
You cannot delete your posts in this forum
You cannot post attachments in this forum

Search for:
Jump to:  

Powered by phpBB® Forum Software © phpBB Group
Portal by phpBB3 Portal © phpBB Türkiye
[ Time : 0.066s | 17 Queries | GZIP : Off ]