⚠️ This forum has been restored as a read-only archive so the knowledge shared by the community over many years remains available. New registrations and posting are disabled.

All times are UTC + 8 hours




Post new topic Reply to topic  [ 6 posts ] 
Author Message
 Post subject: FreemanG's AP Project
PostPosted: Mar 11th, '14, 19:10 
Newbie
Newbie

Joined: Mar 11th, '14, 18:04
Posts: 11
Gender: Male
Are you human?: perhaps
Location: Canberra
All good things start with a plan right?

So we settle on our new house next month and the first thing to be done is get the AP system up and running.

Given my history with over-engineering and cost blowouts, things need to be done right the first time - and the missus is to approve the budget (now that we have a huuuuuuge mortgage)....Will start with the basics, but expand the components over time.

I have no idea how to use sketchup, so will stick with what i know - Excel! There is a parts and price list to the side :lol:

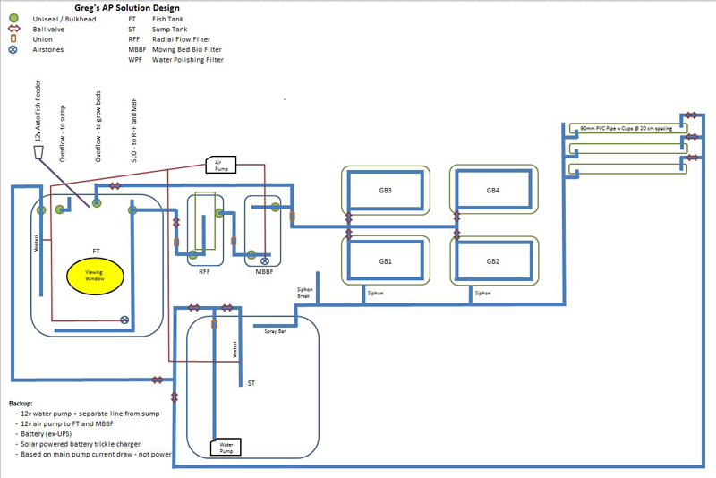
Here it is! I have questions (lots) to follow to help finalise the design....

Attachment:
Solution Design.JPG
Solution Design.JPG [ 121.47 KiB | Viewed 2977 times ]


Notes:
Built from 4 IBCs - 1 x FT, 1 x ST (buried), 2 GB's to start
Constant flood and drain
Phase 2 expansion to include 2 more GB's, a Strawberry NFT plus a Radial flow filter and a Moving bed bio filter.

p.s. I have taken ALOT of ideas from this forum - too many AP'ers to count (and thank) - so thankyou very much for sharing your plans and ideas!! If I haven't incorporated an idea yet - I probably will...

And the dude with the window in the FT - awesome!! - the kids will love it!!! :notworthy:


Top
 Profile  
Reply with quote  
    Advertisement
 
PostPosted: Mar 11th, '14, 21:53 
Bordering on Legend
Bordering on Legend

Joined: Aug 4th, '13, 16:56
Posts: 411
Gender: Male
Are you human?: Depends who you ask!
Location: Perth Australia
Hi FreemanG, you setup looks good, be sure to post plenty of pics as you build. :thumbleft:


Top
 Profile  
Reply with quote  
PostPosted: Mar 12th, '14, 12:01 
Newbie
Newbie

Joined: Mar 11th, '14, 18:04
Posts: 11
Gender: Male
Are you human?: perhaps
Location: Canberra
Thanks HairyCamel,

May only be pictures of 'bits' for a couple months..got to have the Minister for Finance sorted first!

Some plumbing sizing advice if I could please...

Reading through other IBC threads, 50mm seems to be most common for similar IBC systems. I would run 65mm or 90mm if it was possible to use that pipe size in the 120L blue barrels making up the RFF and MBBF.

- 25mm from pump in sump to FT
- 50mm SLO to RFF and MBBF
- 50mm growbed overflow
- join the 50mm pipes from MBBF and FT overflow into one 90mm run to the GBs, where I will step it down to 25mm.

- 50mm overflow to sump
- 90mm return from GBs and NFT

Can I confirm that 50mm is the largest you could effectively run thru a 120L blue barrel using uniseals? and will 50mm be sufficient flow for the proposed system?

I would experiment if I could :)

Thanks in advance.
Greg


Top
 Profile  
Reply with quote  
PostPosted: Mar 15th, '14, 07:23 
Newbie
Newbie

Joined: Mar 11th, '14, 18:04
Posts: 11
Gender: Male
Are you human?: perhaps
Location: Canberra
Hi all,

Would really appreciate some advice on pump selection.

Been reviewing a few forums and the hardware threads on pumps....and think im best going with a Laguna or Pondmax (almost everything is made in china now - so it shouldnt make much difference).

If the pump is in the sump, which is to be 2/3rds buried with the fish tank above it...plus a NFT along the back wall of the green house - i figure my total head height will be about 2.5 to 3m from the bottom of the sump to the top of the NFT structure?

I need 2 times turnover of the FT per hour = 2000 ltr/hr.

Will the Pondmax PU4500 be sufficient for this at 65watts, otherwise I would need the PU8000 which seems like an overkill (and 125w). or do i run 2 x PU4500's??

Thanks for the help :)


Top
 Profile  
Reply with quote  
PostPosted: Mar 15th, '14, 10:25 
Site Admin
Site Admin
User avatar

Joined: Mar 12th, '06, 07:56
Posts: 17803
Images: 4
Location: Perth
Gender: Male
Blog: View Blog (1)
Hey Greg.. Nice looking drawings, I can guess what you might do for a living... :)

You can run 90mm into a barrel using a uniseal, no problem at all..


Top
 Profile Personal album  
Reply with quote  
PostPosted: Mar 16th, '14, 18:40 
Newbie
Newbie

Joined: Mar 11th, '14, 18:04
Posts: 11
Gender: Male
Are you human?: perhaps
Location: Canberra
Thanks EB, I would have to admit I use excel more than I would like :/

Reworked my design for larger pipework - and now I know why no-one does it - PVC fittings get extremely expensive after 50mm!

Will look for some barrels around the 60-80 ltr mark instead and run with the 50mm for now.

Any thoughts on a pump?

Pondmax DWP 8000 - $239 using 125w should give me excessive flow - even if i go up 2.5-3m; or
Pondmax DWP 4500 - $209 using 65w and if I need more, then get a second one the same.

Can anyone recommend a pump that is somewhere in between?


Putting everything you need to buy on one page is scary!


Top
 Profile  
Reply with quote  
Display posts from previous:  Sort by  
Post new topic Reply to topic  [ 6 posts ] 

All times are UTC + 8 hours


You cannot post new topics in this forum
You cannot reply to topics in this forum
You cannot edit your posts in this forum
You cannot delete your posts in this forum
You cannot post attachments in this forum

Search for:
Jump to:  
cron

Powered by phpBB® Forum Software © phpBB Group
Portal by phpBB3 Portal © phpBB Türkiye
[ Time : 0.140s | 17 Queries | GZIP : Off ]