⚠️ This forum has been restored as a read-only archive so the knowledge shared by the community over many years remains available. New registrations and posting are disabled.

All times are UTC + 8 hours




Post new topic Reply to topic  [ 2151 posts ]  Go to page Previous  1 ... 127, 128, 129, 130, 131, 132, 133 ... 144  Next
Author Message
PostPosted: Sep 12th, '17, 19:06 
A posting God
A posting God
User avatar

Joined: Feb 7th, '11, 18:32
Posts: 3193
Gender: Male
Are you human?: Most of me
Location: Thailand, Chaing Rai
We have another plan,que pantomime villain laugh,anywho I found today 1inch x12 inch wide cement fibre boards. I would be loath to use wood here just because of the amount of termites there are anywhere wood touches the ground,hence the concrete toughs,the plan, 3 x 11/2 inch hollow steel posts three foot or one meter long driven into the ground at one meter intervals. Under and around the posts is a concrete footing and on top of that is one solid concrete block,our blocks are only 13 cm high,this will end up level with the infill,on top of this will go fine sand leveled and a piece of 12mm polystyrene for insulation and liner protection,the side of the trough have this as well,the trough should end up 300mm deep.
On top of the posts will be another piece of the same box section welded on as a top piece to fix the liner to,the top piece will be inset to allow the 24mm boards to be flush with the top rail. I will most probably use a strip of wood to hold the liner in place on this rail,this can then be painted white along with everything else.
Sounds like some sort of plan,it's roughly based on Ryan's method of constructing his troughs,but using what is readily available to me here and the substitute wood boards designed as decking boards are a lot cheaper than wood of that size,even if I could source it.
Hope my inane ramblings make sense and looking for comments as usual..... : : :thumbright:
Please excuse the mix of imperial and metric sizes..lol


Top
 Profile  
Reply with quote  
    Advertisement
 
PostPosted: Sep 12th, '17, 20:26 
Legend Member
Legend Member

Joined: Jun 9th, '16, 14:53
Posts: 657
Gender: Male
Are you human?: YES
Location: Mexico Nuevo, USA
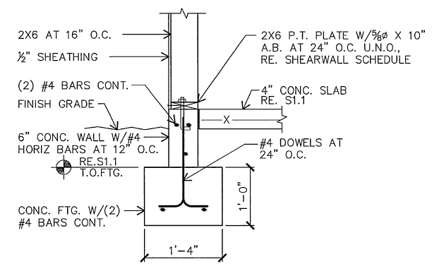
Image

and you would tie the verticals to the horizontal by alternating bars every other cell.

look for a splice table that tells you minimum(s) when joining pieces of rebar to each other and tie it all together with wire. Make sure that rebar is up off the ground and into the concrete using chairs/rocks/whatever might be around to support.

Adam


Top
 Profile  
Reply with quote  
PostPosted: Sep 12th, '17, 20:45 
Legend Member
Legend Member

Joined: Jun 9th, '16, 14:53
Posts: 657
Gender: Male
Are you human?: YES
Location: Mexico Nuevo, USA
what is the maximum length you can get your 3x11 steel? Make two spots level where your beam will go with the desired finish height and run that the length of your bed, weld the seams and use the galvanized post drove in the ground to support and tack weld to the horizontal above grade. Finish with sand in the bottom of the bed and viola?!? (since you seem to be in a French theme :) )


Adam


Top
 Profile  
Reply with quote  
PostPosted: Sep 12th, '17, 23:09 
Almost divorced
Almost divorced

Joined: Jan 6th, '16, 09:41
Posts: 1400
Gender: Male
Are you human?: YES
Location: Charlotte, MI, USA
[quote="BroHay" Finish with sand in the bottom of the bed and viola?!? (since you seem to be in a French theme :) )


Adam[/quote]

My wife's cousin plays both the viola and the violin... she had a hired event that she was playing for a couple weeks ago and she said she accidently started playing the viola part when she was supposed to be playing the violin part... I don't know what that means (different range? different clef? doesn't really matter, the whole point of this post was to post something completely random that doesn't add any value due to Adam's typo...)

and VOILA! There it is! (drives me a little crazy that one of the guys I work with constantly says "wah-lah" when he is helping someone on the phone... there is NO W in the word!)


Top
 Profile  
Reply with quote  
PostPosted: Sep 12th, '17, 23:17 
Legend Member
Legend Member

Joined: Jun 9th, '16, 14:53
Posts: 657
Gender: Male
Are you human?: YES
Location: Mexico Nuevo, USA
and that would be another small screen typo inserted and me not proof reading 2-3 times before submitting. My French teacher would be shaking her head.....

NO MORE posting via phone.....computer only! (now back to your regular thread viewing)

Adam


Top
 Profile  
Reply with quote  
PostPosted: Sep 12th, '17, 23:35 
Xtreme Contributor
Xtreme Contributor

Joined: Jan 2nd, '15, 19:49
Posts: 231
Gender: Male
Are you human?: i think am
Location: India, Chennai
Hi Das boot . If you look at my fish tank . It is 6 feet deep(3 above 3 below) 3 feet wide and 7 feet length . With no rebar . Standing well for 3 years . I have used fullblock with rounded corners to take the pressure . Since your length is big I would suggest to do as multiple 7 feet tank joined /shared walls . For tropical weather like ours brick work is best option .


Sent from my iPhone using Tapatalk


Top
 Profile  
Reply with quote  
PostPosted: Sep 13th, '17, 01:14 
A posting God
A posting God
User avatar

Joined: Feb 7th, '11, 18:32
Posts: 3193
Gender: Male
Are you human?: Most of me
Location: Thailand, Chaing Rai
BroHay wrote:
what is the maximum length you can get your 3x11 steel? Make two spots level where your beam will go with the desired finish height and run that the length of your bed, weld the seams and use the galvanized post drove in the ground to support and tack weld to the horizontal above grade. Finish with sand in the bottom of the bed and viola?!? (since you seem to be in a French theme :) )


Adam
s

Adam,it's not 3x11,it was meant to read 3x 1 1/2 or three by one inch and a half,and I know this changes things but there in 6 meter lengths. I was thinking of having the wide face forwards,giving a better face to attach the board and with the other two trough fine sand for the base to achieve level before the 1/2 inch polystyrene to insulate and protect the liner.


Top
 Profile  
Reply with quote  
PostPosted: Sep 13th, '17, 01:26 
A posting God
A posting God
User avatar

Joined: Feb 7th, '11, 18:32
Posts: 3193
Gender: Male
Are you human?: Most of me
Location: Thailand, Chaing Rai
Sriprasad wrote:
Hi Das boot . If you look at my fish tank . It is 6 feet deep(3 above 3 below) 3 feet wide and 7 feet length . With no rebar . Standing well for 3 years . I have used fullblock with rounded corners to take the pressure . Since your length is big I would suggest to do as multiple 7 feet tank joined /shared walls . For tropical weather like ours brick work is best option .


Sent from my iPhone using Tapatalk


My existing troughs have suffered cracking I believe because of no rebar,I have added rebar by drilling down through the foundation and extra block work which has cured the problem,fingers crossed. The thing is iam always looking at different ways to achieve things,especially if it helps everyone else,as the say a problem sorted is worth a million to someone else,well I think that how it goes.
Big DWC troughs are expensive things to build even though the design is so straight forward,maybe these fibre boards are the way to go,they are certainly cheap,readily available and easy to work with,they won't get eaten by the hoards of termites we have here. When I started cleaning my system,I noticed the termites have come up through the poly base,the between the liner and the poly insulation to get to wood capping which holds the liner in place,the barstewards.


Top
 Profile  
Reply with quote  
PostPosted: Sep 13th, '17, 01:29 
A posting God
A posting God
User avatar

Joined: Feb 7th, '11, 18:32
Posts: 3193
Gender: Male
Are you human?: Most of me
Location: Thailand, Chaing Rai
By the way, you guys are tops thanks for the feed back.


Top
 Profile  
Reply with quote  
PostPosted: Sep 14th, '17, 01:40 
Almost divorced
Almost divorced

Joined: Jan 6th, '16, 09:41
Posts: 1400
Gender: Male
Are you human?: YES
Location: Charlotte, MI, USA
dasboot wrote:
I noticed the termites have come up through the poly base,the between the liner and the poly insulation to get to wood capping which holds the liner in place,the barstewards.


do the termites at least wear sexy outfits? gotta love a good looking barsteward.


Top
 Profile  
Reply with quote  
PostPosted: Sep 14th, '17, 08:50 
A posting God
A posting God
User avatar

Joined: Feb 7th, '11, 18:32
Posts: 3193
Gender: Male
Are you human?: Most of me
Location: Thailand, Chaing Rai
rininger85 wrote:
dasboot wrote:
I noticed the termites have come up through the poly base,the between the liner and the poly insulation to get to wood capping which holds the liner in place,the barstewards.


do the termites at least wear sexy outfits? gotta love a good looking barsteward.


Na the baxxxxds,but there are quite a few places around where the hostesses with the mostest do...lol... :headbang: The wife has given me permission to say that


Top
 Profile  
Reply with quote  
PostPosted: Sep 14th, '17, 09:01 
A posting God
A posting God
User avatar

Joined: Feb 7th, '11, 18:32
Posts: 3193
Gender: Male
Are you human?: Most of me
Location: Thailand, Chaing Rai
Ok mini update,it's moving forward,I just wish a bit quicker but it's what you get when you start having other people to work for you. The fence should be finished in a couple of days,then the guys are moving straight on to the fish house,this is a steel framed with a polycarbonate roof,when this is up I can start placing the tanks and filter system and at least get water moving about as it cycles.
Over the last couple of days I have power washed everything and when the greenhouse goes up,which I should be ordering today,I can give it a coat of paint which should make it look nice and it reflects the heat.


Attachments:
image.jpeg
image.jpeg [ 242.28 KiB | Viewed 3829 times ]
image.jpeg
image.jpeg [ 256.03 KiB | Viewed 3829 times ]
image.jpeg
image.jpeg [ 237.41 KiB | Viewed 3829 times ]
Top
 Profile  
Reply with quote  
PostPosted: Sep 14th, '17, 10:34 
Legend Member
Legend Member

Joined: Jun 9th, '16, 14:53
Posts: 657
Gender: Male
Are you human?: YES
Location: Mexico Nuevo, USA
Did any of the previous work get rejected and re-done?

I just finalized all the "what ifs" and got the rest of my parts/pieces on order. Which will probably get another revamp once wife decides on fish species.

Adam


Top
 Profile  
Reply with quote  
PostPosted: Sep 14th, '17, 12:17 
A posting God
A posting God
User avatar

Joined: Feb 7th, '11, 18:32
Posts: 3193
Gender: Male
Are you human?: Most of me
Location: Thailand, Chaing Rai
All a bit of a storm in a tea cup,or in laymans terms means I shouldn't have listened to the wife before I spoke to the guy building the fence and checking properly for myself,all is good but taking a bit longer than I expected but it is almost a 100 meters long,it really is transforming the look of the place over the uncared for hedge.
Greenhouse guy turning up at 3pm,he can tell me how much more I need to clear and level and to make sure he can work ok over the troughs,can't wait to get that erection under way..... :laughing3:
Some other little things,I found a wood yard with 3/4 ply,so when everyone moves out,we are having the outside of the house varnished at the moment,I will construct my seedling bench and get some plants started,hopefully if I time it right the seedlings will be ready at the same time as my erection is finished.


Top
 Profile  
Reply with quote  
PostPosted: Sep 14th, '17, 17:23 
Legend Member
Legend Member

Joined: Jun 9th, '16, 14:53
Posts: 657
Gender: Male
Are you human?: YES
Location: Mexico Nuevo, USA
By varnished, I hope it is not like a furniture grade product. Exterior wood does need to be protected, but not with with anything that forms a hard top coat.

Semi-transparent oil penetrating stain or solid body stain are the keywords to look for in product usage if you are using something other than paint. Also, no finish will perform as expected if the surface is not properly prepared prior to application.

Adam


Top
 Profile  
Reply with quote  
Display posts from previous:  Sort by  
Post new topic Reply to topic  [ 2151 posts ]  Go to page Previous  1 ... 127, 128, 129, 130, 131, 132, 133 ... 144  Next

All times are UTC + 8 hours


You cannot post new topics in this forum
You cannot reply to topics in this forum
You cannot edit your posts in this forum
You cannot delete your posts in this forum
You cannot post attachments in this forum

Search for:
Jump to:  
cron

Powered by phpBB® Forum Software © phpBB Group
Portal by phpBB3 Portal © phpBB Türkiye
[ Time : 0.089s | 15 Queries | GZIP : Off ]